自記式溫濕度計中溫濕度檢測係統的設計簡介
自(zi)記(ji)式(shi)溫(wen)濕(shi)度(du)計(ji),在(zai)農(nong)業(ye)生(sheng)產(chan)和(he)畜(chu)牧(mu)業(ye)養(yang)殖(zhi)中(zhong)應(ying)用(yong)非(fei)常(chang)的(de)廣(guang)泛(fan),該(gai)儀(yi)器(qi)可(ke)以(yi)非(fei)常(chang)快(kuai)速(su)的(de)測(ce)量(liang)出(chu)來(lai)環(huan)境(jing)中(zhong)的(de)溫(wen)濕(shi)度(du),並(bing)且(qie)進(jin)行(xing)及(ji)時(shi)的(de)調(tiao)整(zheng)環(huan)境(jing),以(yi)至(zhi)於(yu)給(gei)農(nong)作(zuo)物(wu)或(huo)者(zhe)是(shi)牲(sheng)畜(chu)創(chuang)造(zao)出(chu)最(zui)佳(jia)的(de)成(cheng)長(chang)環(huan)境(jing),自(zi)記(ji)式(shi)溫(wen)濕(shi)度(du)計(ji)為(wei)什(shen)麼(me)可(ke)以(yi)這(zhe)麼(me)精(jing)確(que)的(de)進(jin)行(xing)測(ce)量(liang)呢(ne)?原(yuan)因(yin)在(zai)其(qi)內(nei)部(bu)比(bi)較(jiao)完(wan)美(mei)的(de)溫(wen)濕(shi)度(du)檢(jian)測(ce)係(xi)統(tong),下(xia)麵(mian)為(wei)大(da)家(jia)帶(dai)來(lai)自記式溫濕度計中溫濕度檢測係統的設計簡介。
1 概述
溫(wen)度(du)和(he)濕(shi)度(du)是(shi)工(gong)業(ye)生(sheng)產(chan)中(zhong)的(de)兩(liang)個(ge)重(zhong)要(yao)環(huan)境(jing)參(can)數(shu),直(zhi)接(jie)影(ying)響(xiang)到(dao)生(sheng)產(chan)效(xiao)率(lv),因(yin)此(ci)有(you)必(bi)要(yao)對(dui)其(qi)進(jin)行(xing)適(shi)時(shi)的(de)檢(jian)測(ce)以(yi)及(ji)控(kong)製(zhi),所(suo)以(yi)設(she)計(ji)出(chu)一(yi)個(ge)簡(jian)單(dan)方(fang)便(bian)的(de)溫(wen)濕(shi)度(du)檢(jian)測(ce)係(xi)統(tong)具(ju)有(you)十(shi)分(fen)重(zhong)要(yao)的(de)意(yi)義(yi)。
本文基於LabVIEW軟件設計出可以采集1路溫度和1路濕度信號的溫濕度檢測係統,具有溫濕度數據顯示、波形顯示、溫濕度超限報警以及數據保存的功能,並且操作簡單。
2 係統總體設計
本係統采用溫濕度傳感器,將試驗所采集到的溫度和濕度,經過變換,轉換成電壓信號送入數據采集 卡中,再經USB 總線接入計算機中,在計算機軟件的支持下,完成自動采集、自動處理等功能。

溫濕度檢測係統的儀器構成主要有傳感器、信號調理電路、采集卡、計算機4部分。
傳感器將待測量的物理量轉化為電信號,然後由采集卡實現溫度實時采集、濕度實時采集,並將檢測信號傳輸到計算機。數據采集卡通過USB總線與計算機連接,USB通用串行總線是一種新的PC機互連協議,具有總線供電、低成本、即插即用、熱插拔、方便快捷等特點。目前在通用計算機上普遍配置了USB接口,基於USB總線技術構建虛擬儀器是一種非常理想的方案。當數據進入計算機後,在LabVIEW平台上經數據處理子程序、溫濕度檢測子程序實時監測,同時在前麵板實時輸出溫度、濕度控製曲線。監測人員通過在程序框圖中對溫度、濕度進行設定,當出現溫度、濕度超出溫濕度的限定範圍時,軟件發出報警信號來提示監測人員。

係統軟件流程圖如圖2所示。
3 係統硬件設計
3.1 傳感器的選擇
傳感器選擇的是壁掛型溫濕度變送器。該傳感器性能可靠,使用壽命長,響應速度快。
打開上蓋,可見到標有 1,2,3,4 的接線端子,出廠測試線顏色默認為:
端子 4:紅色(電源正或兩線製溫度供電正)
端子3:黃色(溫度輸出)
端子2:藍色(濕度輸出)
端子1:黑色(地或兩線製濕度供電正)
在圖3的傳感器接線圖中 A,B 為顯示儀表,執行器或采集卡,A 路對應濕度輸出,B路對應溫度輸出。
3.2 數據采集卡的選擇
數據采集卡選擇的是 NI 公司生產的USB6221,NI USB-6221 是一款 USB 高性能M係列多功能 DAQ 模塊,在高采樣率下也能保持高精度。
3.3 穩壓電源的選擇
穩壓電源選擇的是 HH1735C2 的直流穩壓電源,它的電壓調節範圍為 0~30V,電流調節範圍為 0~5A,雙路數字顯示,可以選擇恒壓或恒流模式。
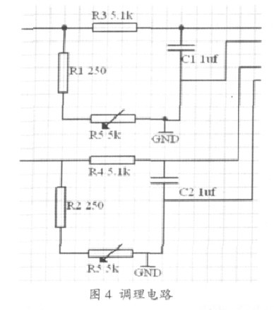
3.4 調理電路設計

係統硬件設計主要是調理電路的設計,調理電路如圖4所示。其中,R1和R2是采樣電阻,把傳感器的電流信號轉換成電壓信號,而R3和R4是濾波電阻,分別與C1 和C2構成低通濾波電路。通過式(1)截止頻率的計算公式,

計算出該低通濾波器的截止頻率為31.2Hz,可以有效濾掉50Hz的工頻幹擾。
liangluxinhaojingguotiaolizhihou,caiquchafenfangshijierushujucaijika,keyiyouxiaoyizhigongmoganrao。shujucaijikajiushibamonixinhaozhuanhuanchengshuzixinhaodeshebei,qihexinshi A/D 芯片,數據采集卡內部結構如圖5 所(suo)示(shi)。由(you)兩(liang)個(ge)多(duo)路(lu)程(cheng)序(xu)控(kong)製(zhi)開(kai)關(guan)來(lai)控(kong)製(zhi)哪(na)兩(liang)個(ge)通(tong)道(dao)接(jie)入(ru)信(xin)號(hao),兩(liang)路(lu)信(xin)號(hao)采(cai)用(yong)差(cha)分(fen)方(fang)式(shi)接(jie)入(ru)運(yun)算(suan)放(fang)大(da)器(qi),然(ran)後(hou)經(jing)由(you)運(yun)算(suan)放(fang)大(da)器(qi)對(dui)信(xin)號(hao)進(jin)行(xing)放(fang)大(da),接(jie)著(zhe)送(song)入(ru)計(ji)算(suan)機(ji)中(zhong)。


信號送入計算機後,還必須設置、配置及調試硬件。過去,配置及調試硬件的過程要占據相當長的開發時間。在推出NI-DAQ後,整個應溫濕度測量麵板,采集界麵是本設計的重點,如圖5所(suo)示(shi)。前(qian)麵(mian)板(ban)有(you)一(yi)個(ge)選(xuan)項(xiang)卡(ka)控(kong)件(jian),使(shi)得(de)操(cao)作(zuo)人(ren)員(yuan)可(ke)以(yi)在(zai)溫(wen)度(du)顯(xian)示(shi)麵(mian)板(ban)與(yu)濕(shi)度(du)顯(xian)示(shi)麵(mian)板(ban)之(zhi)間(jian)進(jin)行(xing)自(zi)由(you)切(qie)換(huan),以(yi)便(bian)於(yu)觀(guan)察(cha)分(fen)析(xi)。此(ci)外(wai),前(qian)麵(mian)板(ban)由(you)傳(chuan)感(gan)器(qi)量(liang)程(cheng)以(yi)及(ji)對(dui)應(ying)的(de)電(dian)壓(ya)設(she)置(zhi)模(mo)塊(kuai)、溫濕度數字顯示模塊、溫(wen)濕(shi)度(du)波(bo)形(xing)顯(xian)示(shi)以(yi)及(ji)溫(wen)濕(shi)度(du)曆(li)史(shi)數(shu)據(ju)顯(xian)示(shi)模(mo)塊(kuai)組(zu)成(cheng)。當(dang)操(cao)作(zuo)人(ren)員(yuan)選(xuan)擇(ze)任(ren)務(wu)通(tong)道(dao)後(hou),可(ke)以(yi)通(tong)過(guo)上(shang)下(xia)箭(jian)頭(tou)手(shou)動(dong)設(she)置(zhi)傳(chuan)感(gan)器(qi)量(liang)程(cheng)的(de)上(shang)下(xia)限(xian)以(yi)及(ji)傳(chuan)感(gan)器(qi)量(liang)程(cheng)上(shang)下(xia)限(xian)所(suo)對(dui)應(ying)的(de)電(dian)壓(ya),或(huo)者(zhe)直(zhi)接(jie)輸(shu)入(ru)數(shu)字(zi),點(dian)擊(ji)運(yun)行(xing),程(cheng)序(xu)會(hui)自(zi)動(dong)給(gei)出(chu)一(yi)條(tiao)溫(wen)度(du)與(yu)電(dian)壓(ya)之(zhi)間(jian)的(de)對(dui)應(ying)曲(qu)線(xian)。根(gen)據(ju)這(zhe)條(tiao)曲(qu)線(xian)關(guan)係(xi),程(cheng)序(xu)會(hui)把(ba)數(shu)據(ju)采(cai)集(ji)卡(ka)輸(shu)入(ru)的(de)電(dian)壓(ya)信(xin)號(hao)轉(zhuan)換(huan)成(cheng)溫(wen)度(du)信(xin)號(hao),此(ci)時(shi),數(shu)字(zi)顯(xian)示(shi)和(he)圖(tu)形(xing)顯(xian)示(shi)就(jiu)會(hui)顯(xian)示(shi)出(chu)當(dang)前(qian)所(suo)檢(jian)測(ce)到(dao)的(de)溫(wen)度(du)數(shu)值(zhi)。在(zai)程(cheng)序(xu)中(zhong),操(cao)作(zuo)人(ren)員(yuan)可(ke)以(yi)設(she)定(ding)相(xiang)應(ying)的(de)溫(wen)濕(shi)度(du)報(bao)警(jing)範(fan)圍(wei),當(dang)所(suo)測(ce)得(de)溫(wen)度(du)或(huo)濕(shi)度(du)高(gao)於(yu)設(she)定(ding)的(de)上(shang)限(xian)值(zhi)時(shi),係(xi)統(tong)會(hui)報(bao)警(jing),高(gao)溫(wen)或(huo)高(gao)濕(shi)信(xin)號(hao)燈(deng)會(hui)亮(liang)起(qi)。
後麵板的設計如圖6所示,由於本設計有1 路溫度輸入1路濕度輸入,總共有2luxinhaoshuru,suoyixuyaolianggeduankou。youyuyoulianggeduankou,liangluxinhaodeshuruxuyaojingguosuoyinshuzu,ranhoufenbiejingguolianggebiaodubianhuanchengxu,jiangdianyaxinhaofenbiezhuanhuanweiwenshiduxinhao。jiezhezaibawenshiduxinhaofenbiesongrushuzhixianshiyijiboxingxianshikongjian,yibianjinxingwenshidudeshishixianshi。

顯示溫濕度曆史數據的程序框圖如圖7所示,這裏利用的是免費數據庫工具包 LabSQL實現對數據庫的訪問。這是一種基於ADO技術的數據庫訪問方式,通過調用已封裝好的子VI,可以方便的實現數據庫的訪問。ADO是Mi-crosoft 提出的應用程序接口(API)用以實現訪問關係或非關係數據庫中的數據。ADO 是(shi)對(dui)當(dang)前(qian)微(wei)軟(ruan)所(suo)支(zhi)持(chi)的(de)數(shu)據(ju)庫(ku)進(jin)行(xing)操(cao)作(zuo)的(de)最(zui)有(you)效(xiao)和(he)最(zui)簡(jian)單(dan)直(zhi)接(jie)的(de)方(fang)法(fa),它(ta)是(shi)一(yi)種(zhong)功(gong)能(neng)強(qiang)大(da)的(de)數(shu)據(ju)訪(fang)問(wen)編(bian)程(cheng)模(mo)式(shi),從(cong)而(er)使(shi)得(de)大(da)部(bu)分(fen)數(shu)據(ju)源(yuan)可(ke)編(bian)程(cheng)的(de)屬(shu)性(xing)得(de)以(yi)直(zhi)接(jie)擴(kuo)展(zhan)到(dao)你(ni)的(de)Active Server頁麵上。
程序中選用的是微軟公司的Access數據庫,Microsoft Access 是(shi)一(yi)種(zhong)關(guan)係(xi)式(shi)數(shu)據(ju)庫(ku),關(guan)係(xi)式(shi)數(shu)據(ju)庫(ku)由(you)一(yi)係(xi)列(lie)表(biao)組(zu)成(cheng),表(biao)又(you)由(you)一(yi)係(xi)列(lie)行(xing)和(he)列(lie)組(zu)成(cheng),每(mei)一(yi)行(xing)是(shi)一(yi)個(ge)記(ji)錄(lu),每(mei)一(yi)列(lie)是(shi)一(yi)個(ge)字(zi)段(duan),每(mei)個(ge)字(zi)段(duan)有(you)一(yi)個(ge)字(zi)段(duan)名(ming),字(zi)段(duan)名(ming)在(zai)一(yi)個(ge)表(biao)中(zhong)不(bu)能(neng)重(zhong)複(fu)。Access數據庫以文件形式保存,文件的擴展名是MDB。在程序中,我們在數據庫“si”中建立了一個名為“ziliao”的表,將實時測得的時間、溫度以及濕度的數據進行存儲,這樣以便以後查看。
4 結論
本文利用數據采集卡對溫濕度數據進行實時采集,並通過LabVIEW進行上位機的編程控製。利用LabVIEW的特點,對以往的溫濕度檢測係統進行改進,從而實現了溫濕度數據顯示、波形顯示以及曆史數據的顯示的功能,並且實現了高溫/濕報警。有著良好的人機交互性,並具有操作簡單,可視性好的特點。



